RFトランスのアプリケーション
RFトランスは電子回路で広く使用されています:
- 最大電力の供給と信号反射の抑制のためのインピーダンス整合
- 電圧、電流のステップアップまたはステップダウン
- 回路間のDC絶縁
- 平衡/不平衡回路インターフェース 例:バランスアンプ
トランス回路とインピーダンスの関係
信号電流が1次巻線に流れると、2次巻線には電圧を誘導する磁場が発生します。2次側に負荷を接続すると、AC電流が負荷に流れます。
一般的には、RF信号ではラインの終端インピーダンスを制御する必要があり、波長に対してライン長が無視できない周波数帯では特に重要です。広帯域RFトランスでは、信号線として巻き線が用いられ、磁気結合はコアを介しての結合する場合と同様に巻き数に応じて結合します。一次巻線および二次巻線に終端抵抗が接続される場合には最適な特性が得られます。たとえば、巻数比が1:1のトランスは、通常、50Ωまたは75Ωのシステムで使用するように設計されています。
このアプリケーションノートでは、性能試験および実使用の場合とも、ユーザーがトランスに対して終端インピーダンスを使用する事を常に示します。説明の一貫性を保つために、巻数比が1:1を超えるトランスをステップアップとして説明します。この場合、2次インピーダンスは1次インピーダンスよりも大きくなりますが、実際には、必要に応じて接続をステップアップまたはステップダウンにすることが可能です。
V_2 = NV_1 \quad \text{および} \quad I_2 = \frac{I_1}{N},\quad N \text{は巻き数}\\Z_2 = \frac{V_2}{I_2} \quad \text{および} \quad Z_1 = \frac{V_1}{I_1},\quad \text{から} \quad Z_2 = N^2 Z_1
になり、インピーダンスの比は巻数比の2乗になります。
図1cの2次巻線にはセンタータップがあり、トランスを平衡信号スプリッターとして使用することができます。適切に設計されたこの構成のRFトランスを使用することにより、振幅と位相の良好なバランスが得られます。
図1cにおける以下の式では、巻数比Nは2次巻線全体を指します。
V_4 = NV_1, \quad \text{および} \quad V_2 = V_3 = N\frac{V_1}{2}二次側のセンタータップで引き出された前後の巻線が、それぞれ等しい終端インピーダンスZ2 およびZ3 に接続されている場合、
I_2 = I_3 = \frac{I_1}{N}; \quad Z_4 = N^2 Z_1, \\\text{および} \quad Z_2 = Z_3 = \frac{Z_4}{2} = N^2 \frac{Z_1}{2}図1cのトランスの変形で、高周波性能を重視したものを図2に示します。入力段に伝送線路トランスをカスケード接続し、不平衡信号をセンタータップトランスの入力でバランス信号に変換します。この設計の特長:
- 1000 MHzを超える広帯域幅 優れた振幅と位相バランス 1次側の高いリターンロス(低いVSWR)
- 優れた振幅と位相バランス
- 1次側の高いリターンロス(低いVSWR)
トランスの性能特性
挿入損失と周波数帯域幅
トランスの挿入損失は、同じ巻数比を持つ理想的な(理論的には無損失)トランスの代わりにインピーダンス整合したトランスを挿入した場合における入力電力の損失割合です。実際の挿入損失は、トランス巻線の非理想的な特性インピーダンスや巻線およびコアの損失の影響を受けます。
周波数対挿入損失の典型的な例を図3に示します。図3は、1 dB、2 dB、3 dBの帯域幅を示しています。これらは、通常指定されている中域周波数の損失を基準にしています。低周波数域での挿入損失は、並列(励磁)インダクタンスの影響を受けます。低温では、コアの透磁率が低下するため、低周波挿入損失が増加する傾向があります。高周波挿入損失は、巻線間容量、直列(漏れ)インダクタンス、およびコアと導体の損失に起因します。高温ではコアの透磁率の損失成分が増加するため大きくなる傾向があります。
ACまたはDCの大電流ではトランスの挿入損失に対してさらに影響があります。ほとんどのRFトランスは小信号アプリケーションで使用され、通常、最大250 mW のRFまたは30 mAの不平衡DC電流が巻線を通過します。小型化と広帯域化のために、コアは最小限のサイズにされることが多いため、より大きなRF電力またはDC電流で挿入損失の仕様を満たす必要がある場合は、トランスの設計時に磁気コアの飽和とそれによる帯域幅の減少を考慮しておく必要があります。
トランスの挿入損失はどのように測定するか?この質問は、1:1以外のインピーダンス比に特に関係があり、これは通常50Ωまたは75Ωであるテスト機器のインピーダンスに対応する必要があるためです。以下3つの方法があります。
- 3つのトランスをAとB、AとC、BとCのようにペアでテストします。各ペアはバックツーバックで測定します。つまり、高インピーダンス側の巻線は互いに直接接続されており、低インピーダンス側の巻線はトランスのインピーダンスに等しい測定器に接続されます。これにより挿入損失の3つの値が計算され、3つの未知数(A、B、Cの個々の挿入損失)の値を計算することができます。
- トランスの高インピーダンス側の巻線と測定器の間に整合回路として最小損失パッドを挿入して個別に測定します。これは、50Ω/75Ωのトランスをテストするのに実用的であることが知られています。トランス自体の挿入損失を得るために、整合回路の損失(dB)を測定値から差し引く必要があります。この方法は、二次巻線への接続が2つだけの場合に適用できます。図4は、この方法でテストした50Ω/75Ωトランス(モデルTC1.5-1)の性能を示しています。整合用パッドの損失は、そのうちの2つをバックツーバックで測定し、dB値を2で割ることによって決定されました。
- トランスにセンタータップ付きの2次巻線がある場合は、180Eパワースプリッターとして接続できます。二次側のそれぞれの巻線は、図1cの式から、整合インピーダンスN2 Z ÷ 2で終端する必要がありますが、これにはトランスと挿入損失測定用測定器のテストポートの間に整合回路が必要です。個々のテストポートは1つの出力しか認識しないため、挿入損失の測定値から、スプリットの3 dBと整合回路の損失の両方を差し引く必要があります。両方の出力を検出することにより、振幅と位相の不平衡もこの方法で測定できます。整合回路の素子の値と損失を表1に示します。
注:この方法では、終端が必要な測定器が一方または両方の出力に接続されているため、整合回路の設計には特別な考慮が必要で、損失が最小であればよいというわけではありません。これについては、センタータップ付きトランスの振幅と位相バランスの測定というタイトルのセクションで詳細に説明しています。ここでは、適切な整合回路の設計基準、素子の値、および挿入損失について示します。
広範囲のインピーダンス比(N2値)を持つセンタータップ付きトランスでこの方法が有用であることを、以下のモデルで図5、6、および7により挿入損失と周波数の関係を示します。
中域帯域での挿入損失は、各図の上部に示しています。
インピーダンスとリターンロス
2次巻線のインピーダンスは、1次巻線を指定のインピーダンス(通常50Ωまたは75Ω)で終端した状態で測定し、理論的な終端値(図1のZ1、Z2、またはZ3)と比較します。
リターンロス(VSWR)は、1次巻線で測定し、2次巻線は理論インピーダンスで終端します。たとえば、1:2のインピーダンス比(1:1.414の巻数比)では2次巻線は 2 x Zprimaryで終端。
トランスの物理パラメータ
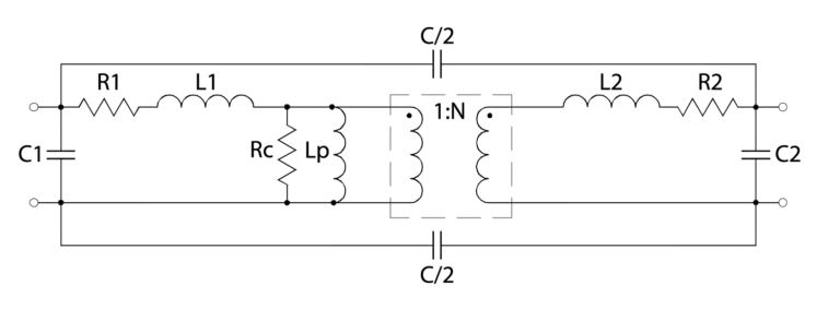
RFトランスの性能について、図8の等価回路で説明します。
- L1 とL2 は、2つの巻線間の不完全な磁気結合によって生じる1次および2次の漏洩インダクタンスです。リアクタンスは周波数に比例するため、このインダクタンスにより高周波では挿入損失が増加し、リターンロスは減少します。
- R1とR2は、1次巻線と2次巻線の巻線抵抗または銅損です。表皮効果により高周波では抵抗が増加し挿入損失が増加します。
- 巻線浮遊容量C1とC2、および巻線間容量Cも、高周波での性能に影響しますが、RFトランスを使用した伝送線路設計では、大部分の巻線間容量と漏洩インダクタンス(並列容量と直列インダクタンス)が伝送線路パラメータに吸収され、一般的なトランスよりもはるかに広い帯域幅が得られるという利点があります。
- Lpは励磁インダクタンスであり、トランスの低周波性能に影響します。これは磁気コアの透磁率と断面積、および巻数によって決まります。低周波域では挿入損失が増加し、リターンロスが減少します。さらに、多くのコア材料の透過率は温度が低下すると減少し室温を超えると上昇します。上記図3で説明したように、挿入損失カーブの低周波域での低下が説明できます。
- 静電容量と漏洩インダクタンスの温度変化は比較的少なく、巻線抵抗は温度が上昇すると増加するため、図3のように挿入損失は高周波域で低下します。
- 抵抗Rcはコア損失を表します。通常この損失には3つの原因が考えられます。
- 周波数とともに増加する渦電流損
- 磁束密度(供給信号レベル)とともに増加するヒステリシス損
- 部分的な時期回転比による残留損失
入力されたRF信号は、コア材料の磁区の振動運動を引き起こしていると考えられ、慣性と摩擦を持つ粒子として振舞います。この運動はエネルギー損失を引き起こし、周波数が高い信号ほど動きは速くなるためコア損失が大きくなります。これは、Rcの値の減少によって表されます。
高温では、RF信号による磁区の振動運動に加えて、増大するランダムな熱振動により消費エネルギーが増加します。したがって、高周波域でのコア損失は、挿入損失の増加とリターンロスの減少につながり、図3に示すようにこの影響は高温で顕著になります。
振幅バランスと位相バランス測定:センタータップトランス
定義
- 振幅バランスは「不平衡」で、センタータップを基準グランドとしたときセンタータップトランスの2つの出力間の信号振幅の差(dB)の絶対値です。
- 位相バランスも「不平衡」で、センタータップを基準グランドとしたときセンタータップトランスの2つの出力間の信号位相差から180°の位相差を差し引いた位相差の絶対値です。
測定方法 : 2次巻線と測定器入力に間に挿入するマッチング回路
上述したように、2次巻線にセンタータップがあるトランスの挿入損失測定は、パワースプリッターでの測定と同様に行うことができますが、考慮しなければならない違いがあります。パワースプリッターとして設計されたデバイスは、出力間を絶縁分離する内部回路があり、それにより他の出力の負荷とは関係なく各出力ポートのインピーダンスを一定にすることができます。一方、トランスはシンプルなデバイスであるため分離は不十分です。したがって整合回路の設計では、1次と2次の巻線比率で変換したインピーダンスだけでなく、2次巻線の片側半分のインピーダンスも考慮に入れる必要があります。
図9にて説明します。Rtは、測定器の出力インピーダンスとトランスの1次側のインピーダンスの設計値を示します。2次側全体はN2Rtで終端する必要があり、整合回路の出力はRtで終端し、かつ入力インピーダンスはN2Rt ÷ 2である必要があります。
それぞれの整合回路の出力インピーダンスは負荷Rtに接続されているためRtにも等しくする必要があります。
これは、次のように1次側からみて2つのインピーダンスが並列に接続されているように見える場合に必要です。一つは2次巻線の片側に(N ÷ 2)2Rtとして見える入力インピーダンスRtで、もう一つはもう一方の整合回路の入力であるN2Rt ÷ 2です。その結果インピーダンスはN2 Rt ÷ 6となります。
図10aから10cに示すように、整合回路のインピーダンスは、トランスのインピーダンス比 N2 に応じて3通りの制約があります。
10aと10cのそれぞれのケースについて、2つの未知数RsおよびRpを解く場合の整合回路の入出力インピーダンス条件を示します。N2 < 3の場合、図10aを参照すると、方程式は以下のようになります。
(R_t + R_s) \parallel R_p = \frac{N^2}{2} R_t \quad \text{and}\\\left(\frac{N^2}{6}R_t\right) \parallel R_p + R_s = R_t
式を解くと
R_s = R_t \sqrt{1 - \frac{N^2}{4}}R_p = R_t \frac{\frac{N^2}{2}\left(\sqrt{1 - \frac{N^2}{4}} + 1\right)}{\sqrt{1 - \frac{N^2}{4}} + 1 - \frac{N^2}{2}}
N2 > 3の場合、図10cを参照すると、方程式は以下のようになります。
R_p \parallel R_t + R_s = \frac{N^2}{2} R_t \quad \text{and}\\ \quad \left(\frac{N^2}{6} R_t + R_s\right) \parallel R_p = R_t
式を解くと
R_s = R_t \left( \frac{N}{\sqrt{3}} \sqrt{\frac{N^2}{3} - 1} + \frac{N^2}{6} \right)
R_p = R_t \sqrt{\frac{N^2}{3} \left/ \left(\frac{N^2}{3} - 1\right)\right.}
N2 = 3の場合、Rs = Rt ÷ 2およびRp は無限大になります。
正確にRFの位相バランスの測定を行うためには、整合回路の構築と、整合回路への接続が2次巻線のセンタータップを中心にして両側が電気的に対称性でなければなりません。
トランスの振幅と位相のバランス測定を行った結果を図11、12、13に示します。これらは図5、6、7で挿入損失を測定したトランスと同じで、上記方法の有効性が示されます。

最後の課題は、整合回路の挿入損失の式を導出することです。上記の「パワースプリッター」方法で挿入損失を測定した場合、測定値から整合回路の挿入損失を差し引いくとセンタータップ付きトランス自体の挿入損失を求めることができます。このとき3 dB(スプリットの場合)を測定値から差し引くことを忘れてはいけません。
図14は、2次側を整合する抵抗で終端した場合のトランスの電圧関係を示しています。
1次側の両端電圧は、開放電圧Viの1/2であり、これは一次側から入力インピーダンスのRtが見えるからです。それぞれの終端抵抗にが消費する電力は、電圧の2乗を抵抗で割った値です。
P_o = \frac{\left(\frac{NV_i}{4}\right)^2}{\frac{N^2}{2}R_t} = \frac{V_i^2}{8R_t}
図15は、各整合回路が2次巻線の片側に挿入された場合、図10の整合した負荷が測定器入力のRtに置き換えられることを示しています。
図15:電力計算における電圧の関係
図15aは、図10aの ”N2 < 3″ 整合回路の場合を示します。負荷Rtに供給される電力はPOLです。
(添え字のL はlowのLを示します)。
P_{OL} = \left(\frac{R_t}{R_t + R_s}\right)^2 \left(\frac{N^2 V_i^2}{16 R_t}\right) = \frac{R_t N^2 V_i^2}{16(R_t + R_s)^2}
\text{Loss} = \frac{P_O}{P_{OL}} = 2 \frac{(R_t + R_s)^2}{N^2 R_t^2}図15bは、図10bのN2 = 3の場合を示しています。
P_{O3} = \frac{V_i^2}{12 R_t}\text{Loss} = \frac{P_O}{P_{O3}} = 1.5図15cはN2 > 3の場合で、図10cに対応します。(POH添え字のHはhighのHを示します)。
P_{OH} = \left(\frac{R_p R_t}{R_p R_t + R_p R_s + R_t R_s}\right)^2 \left(\frac{N^2 V_i^2}{16 R_t}\right)
\text{Loss} = \frac{P_O}{P_{OH}} = 2 \frac{(R_p R_t + R_p R_s + R_t R_s)^2}{N^2 R_p^2 R_t^2}表1は、Mini-CircuitsのRFセンタータップトランスのインピーダンス比の値について、Rtで正規化した整合回路の抵抗値と、整合回路のロスをdB単位で示しています。
整合回路で使用可能な抵抗は、通常「1%」です。したがって2%の範囲を持つ公称値は、RsとRpの表1の値と± 1%も異なる可能性があります。RsとRpが表1の値から逆方向にある場合、ネットワーク損失の結果として生じる誤差は最大になり、たとえば、抵抗誤差1%の場合、N2 = 5の場合、0.1 dBになります。より高い精度が必要な場合は、図15の式に実際の抵抗値を代入して損失を計算する必要があります。
抵抗器の精度に関する上記の説明は、トランスの挿入損失の測定に関するもので、振幅バランスについては2つの整合回路が等しい限り、抵抗誤差の影響を受けません。
| Z ratio, 1:N2 | Rs (図10) | Rp (図10) | Loss of Network, dB |
|---|---|---|---|
| 1:1 | 0.866 Rt | 0.683 Rt | 8.43 |
| 1:1.5 | 0.791 Rt | 1.291 Rt | 6.31 |
| 1:2 | 0.707 Rt | 2.414 Rt | 4.64 |
| 1:2.5 | 0.612 Rt | 5.56 Rt | 3.18 |
| 1:3 | 0.500 Rt | None | 1.76 |
| 1:4 | 1.333 Rt | 2.000 Rt | 6.53 |
| 1:5 | 1.887 Rt | 1.581 Rt | 8.23 |
| 1:8 | 3.44 Rt | 1.265 Rt | 11.08 |
| 1:13 | 5.97 Rt | 1.140 Rt | 13.60 |
| 1:16 | 7.47 Rt | 1.109 Rt | 14.61 |
| 1:25 | 11.98 Rt | 1.066 Rt | 16.71 |